以電信和金融等行業為首的數據中心,經過近幾年大規模的建設和運營,在基礎配套設施上陸續暴露出一些弊端:占地面積大、能源消耗高,維護管理難,成本居高不下等,如何建設新一代數據中心的,立足現有資源,長遠規劃未來的理念已成為業內關注的重點。為此,業界提出了數據機房模塊化的規劃,很好的解決了上述傳統機房的弊端。然而,相對數據中心的模塊化發展,供電保障基本沒有發生質的變化,還是沿用傳統UPS供電模式。這種傳統的UPS供電模式的可靠牲、安全性及高耗能等方面凸現的問題越來越多。成為模塊數據機房的發展中的一個瓶頸,為了解決這一難題,本文提出一種新的解決方案:模塊化數據中心+高壓直流供電,使得數據中心建設最大限度規避傳統機房的弊端。
模塊化機房是把IT機柜、空調、配電柜、布線柜整合在一起并柜,在頂部加蓋天窗,兩側加裝封閉通道門,形成密閉通道,解決高密度的散熱問題,實現智能管理、高密部署、綠色節能、柔性擴展的整合方案。
一、傳統的UPS供電
(1)傳統UPS供電方案
服務器設備一般采用交流電源輸入,電壓為220V,50Hz的單相交流電源,因此IDC機房一般采用交流UPS供電方案。UPS供電系統由整流器、逆變器、蓄電池和靜態開關等組成。在市電正常時,市電交流電源經整流器變換為直流電供給逆變器,同時給蓄電池充電,逆變器將直流電變換為50Hz交流電供給負載。在停電時,蓄電池放出電能,通過逆變器變換為交流電,供給負載。UPS供電系統的基本結構如圖1所示。
圖1:傳統UPS供電方案
為了提高設備供電的可靠性,通常采取多臺UPS冗余并機的方式,即N+1系統。對于一些重要的雙電源負載,采用兩套(N+1) UPS系統并聯組成雙系統雙總線冗余供電方案,這種供電方案安全可靠性相當高。
(2) UPS供電系統的缺點
①負載率低,設備利用率不高
為了提高可靠性,多機并聯,負載率低,使設備的實際使用率低下。例如1+1冗余的UPS最大負載率也不過是50%,同時低負載率也帶來了低效率。
②系統存在單點故障瓶頸
從圖2可直觀的看出,電池、逆變器、負載為串聯關系,任意一點的蓽點故障都會帶來系統斷電的風險。
③設備維護時間長
由于不是模塊化組裝,維護還處于電路板、元器件的水平,造成維護時間長。
④電池管理能力差,后備電池壽命短
UPS的核心部分是逆變器,其充電器是輔助部分,因此,在充電管理上不如專門設計高頻開關電源功能強大。
⑤標準化難度大
特別是大功率的UPS,生產基本還是手工組裝,使每一臺設備的離散性大,現場的每一條設備都要單獨調試。
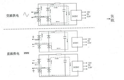
二、高壓直流供電方案
現在,IT設備內部均使用高頻開關電源,把外部輸入的交流電轉化為內部電子電路所用的直流電。最終變換為12V、SV、3.3V的低壓直流給IT設備供電,對于前段是否交流供電并無直接關系。IT設備的開關電源,在交流供電和直流供電狀態下的基本工作原理如圖2所示。
圖2:高壓直流供電方案
(1)高壓直流供電的優勢
①可靠性提高,整流器和電池并聯為后端負載供電。
②系統效率提高,符合節能減排。
③模塊化配置,便于擴容和維護。
④直流輸出,對后端設備無諧波和零地電壓問題。
⑤輸入輸出完全隔離,使后端負載免受不明干擾。
(2)直流供電系統替代交流UPS帶來的好處
①簡化了電路的逆變環節,提高了可靠性,取消交流UPS也就取消了逆變器和與之配套的相關電路,硬件電路簡化使故障點大大減少,系統供電可靠性得到大幅提升。
②降低了工程投資和維護費用
同等的直流電源系統,要比中大型交流UPS系統成本相對較低,維護簡單,可操作性強。
③運營成本大大減少
在設備運行過程中,電源的維護成本、節能降耗的貢獻,使機房的變壓器、空調、電能質量的治理等支出成本和運營成本大為降低。
④多機并聯變得簡單而容易
直流整流模塊采用(N+M)舊模式,實現多機冗余備用,故障模塊可自動退出,避免引起電源間斷;多機并機時各模塊單元可自主均流,使系統中的各部件能在負載均衡條件下工作,從而提高了系統中各模塊工作的穩定性,保證電源系統的運行穩定性。整流模塊可實現熱插拔操作,對于系統中故障的模塊可在系統不斷電情況下進行故障處理或模塊更換,而不影響系統的供電,從而簡化了系統故障維修過程,使用戶更容易操作。直流供電系統采用智能分布式功率分配模式,即將輸出功率分配到系統配置的各個電源模塊。對比傳統的交流UPS電源將所有電源輸出功率集中在單臺設備的配置模式,直流供電系統供電的可靠性將得到大幅提升。
⑤系統組態靈活
整流模塊可實現靈活的多機冗余配置模式(N+M),針對不同規模的用戶可靈活組建不同容量的直流后備電源系統,按照后備電源系統的容量需要可分步投資、分布建設。系統可配置為單機系統模式、多機冗余熱備用模式、多機冗余冷備用模式等。由于整流模塊采用模塊化生產,使系統的擴容和維護極為方便。
⑥智能化電池管理
對于后備供電系統中常用的鉛酸蓄電池組,仍是系統中的薄弱環節,由于酸蓄電池的生產工藝及其自有特性,蓄電池組在使用一段時間后會出現一些問題,如:電池內阻增大、內阻不匹配等,如不能及時處理這些問題,可引起后備電源供電異常,嚴重時可造成電池組報廢。由于目前尚無更好的產品替代鉛酸蓄電池,所以在以后較長的一段時間內,后備電源系統中仍將以鉛酸蓄電池作為主要電能儲存介質。嚴格按照蓄電池給定參數使用和定期的維護,是解決電池組使用壽命的有效方法,合理、科學地使用和及時的維護可有效地延長蓄電池使用壽命。采用直流供電系統,可對蓄電池實施智能化的充、放電管理。按電池組充電曲線對電池組進行智能化的充電管理和放電維櫨,大大提高了蓄電池組的使用壽命,同時大大減輕了用戶對系統維護的工作量。系統具備的單體電池巡檢功能,可對電池組進行實時監控,發現落后單體后立即報警,提醒用戶及時處理,可避免故障的進一步擴大,如整組電池報廢等。
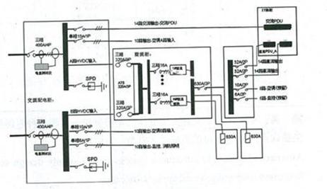
三、模塊化機房應用
某機房在建設規劃時,采用模塊化設計,網絡機柜采用高密度機柜設計,以提高機房的利用率,每個網絡機柜功率密度10KW,每個模塊包含10個網絡機柜,每個模塊總功率的功耗折合100KW,后備時間15min。
(1)規劃方案
機房供電方式采用每個數據模塊用一套電源供電,位置布局見圖3,供電原理圖見圖4。
其優點如下:
①散供電,降低風險;
②域劃分,便于電源管理;
③應性強,電源化整為零,容易實現最佳配置。
圖3:位置布局
圖4:供電原理圖
(2)系統配置
①交流屏一個:兩路交流輸入,具備總電壓、電流、電量統計、RS485輸出。
柜體尺寸:200mm(深)×800mm(寬)×2200mm(高)
②整流屏一個:兩路交流,ATS輸入。整流模塊規格:6KW模塊配置30個,容量滿足150KW輸出需要。
柜體尺寸:1200mm(深)×600mm(寬)×2500mm(高)
③直流屏一個。
柜體尺寸:200mm(深)×400mm(寬)×2200mm(高)
模塊化數據中心的建設方式提高了系統的安全性和可靠性,效能解決是目前大多數數據中心面臨的問題,這種構建方式將會在新一代數據中心整體規劃中得到廣泛應用。2012年2月1日,高壓直流電源的行業標準《YDT2378-2011通信用240V直流供電系統》正式發布實施,為高壓直流電源在通信行業的應用掃清了最后的障礙,而在模塊化數據機房中引進DC240V直流供電系統,以其體積小、重量輕、功耗小、效率高、紋波小、噪音低、易擴容、替換性好、性能穩定、智能化程度高等優良特性,將會為IT行業的供電保障帶來一個質的飛躍。





Copyright ? 2003 - 2023 . All Rights Reserved